某些金属加工厂,生产过程中产生的废水铁锰含量较高,通常排入污水站进行处理,但这样会浪费大量的水资源。
青岛某不锈钢公司,主要生产冷轧薄板,生产过程中产生的废水锰含量高达1.5mg/L~2.5mg/L,超过锰含量0.1mg/L的排放标准,废水中含有的一些金属杂质颗粒,也需要处理后才能重复回收利用。处理水量为10m3/h,且需要连续处理供水。
将锰含量从1.5mg/L~2.5mg/L降至0.1mg/L以下,需要曝气处理后再经锰砂处理。为确保连续供水,除锰过滤器采用一用一备的方式。
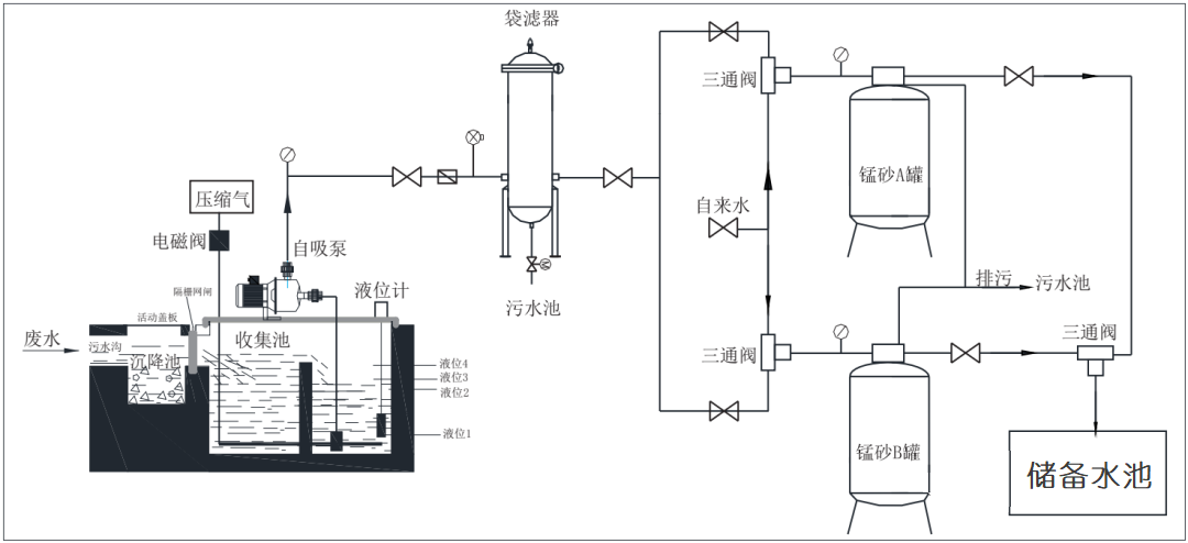
由于废水中含有金属杂质颗粒,因此采用沉淀和隔栅网去除,将废水排进沉降池,沉降池中内置隔栅网闸,颗粒杂质被截留在一侧,沉淀初滤后的废水进入收集池,同时通入压缩空气曝气;利用自吸增压泵将废水收集池中的废水加压经袋式过滤器过滤,然后进入锰砂过滤器过滤,干净的水进入水池。过滤系统采用两个直径900mm、高度2200mm的碳钢过滤罐(内衬胶),罐内填装1.2吨锰砂,选配润新53520(F95B1)自动控制阀,另加三通阀组成一用一备系统。
该废水处理系统的工艺流程为:废水→废水沉降池→隔栅网闸→废水收集池(通入压缩空气曝气)→自吸增压泵(根据水池液位启停)→袋式过滤器→电动三通阀(运行、反洗、正洗转换)→锰砂过滤器(一用一备)→电动三通阀(一用一备)→储备水池。

废水除锰处理系统布置图
系统及装置要求

沉降池和拦截网闸的设置
(1)废水收集池前,往地下挖深0.5m、边长1.2m的混凝土沉降池,将进水的大颗粒杂质沉降到池底部,溢流口装设抽插式拦截网(滤网网孔18目,精度830微米),可实现定期在线人工清挖沉淀池底部杂质,清洗拦截网,无需停机。
(2)废水收集池尺寸约为2m×2m×2.5m(长×宽×高),将中间隔开,内部采用曝气管连通,压缩空气根据水位启闭,水位较低时关闭。
(3)为确保连续供水,设置两台自吸增压泵,根据水池液位开启。当水池水位达到高水位时,两台水泵同时启动;低于高水位,高于低水位时,单台启动;低于低水位时,两个水泵停止。
(4)两台锰砂过滤器一用一备,采用自来水进行反冲洗,当A罐过滤器达到预定的运行周期时,通过润新53520(F95B1)控制阀和三通阀自动将A罐出水切换成B罐出水,然后A罐进入反冲洗,清洗结束后转至运行状态。
该废水处理系统于2017年6月投入使用,24小时连续运行,一直运行正常。废水处理后的再生水重复利用,具有良好的经济效益和社会效益。

锰砂过滤器系统